3D Planner
Home / Products / Series / AMAZON series / AMAZON 101

Product code:

AMAZON 101

  • 4 y
  • 2 m
  • 33.4 m
  • 32.65 m
  • 3.87 m
  • TUV Logo
+

    Specifications-

    Technical information

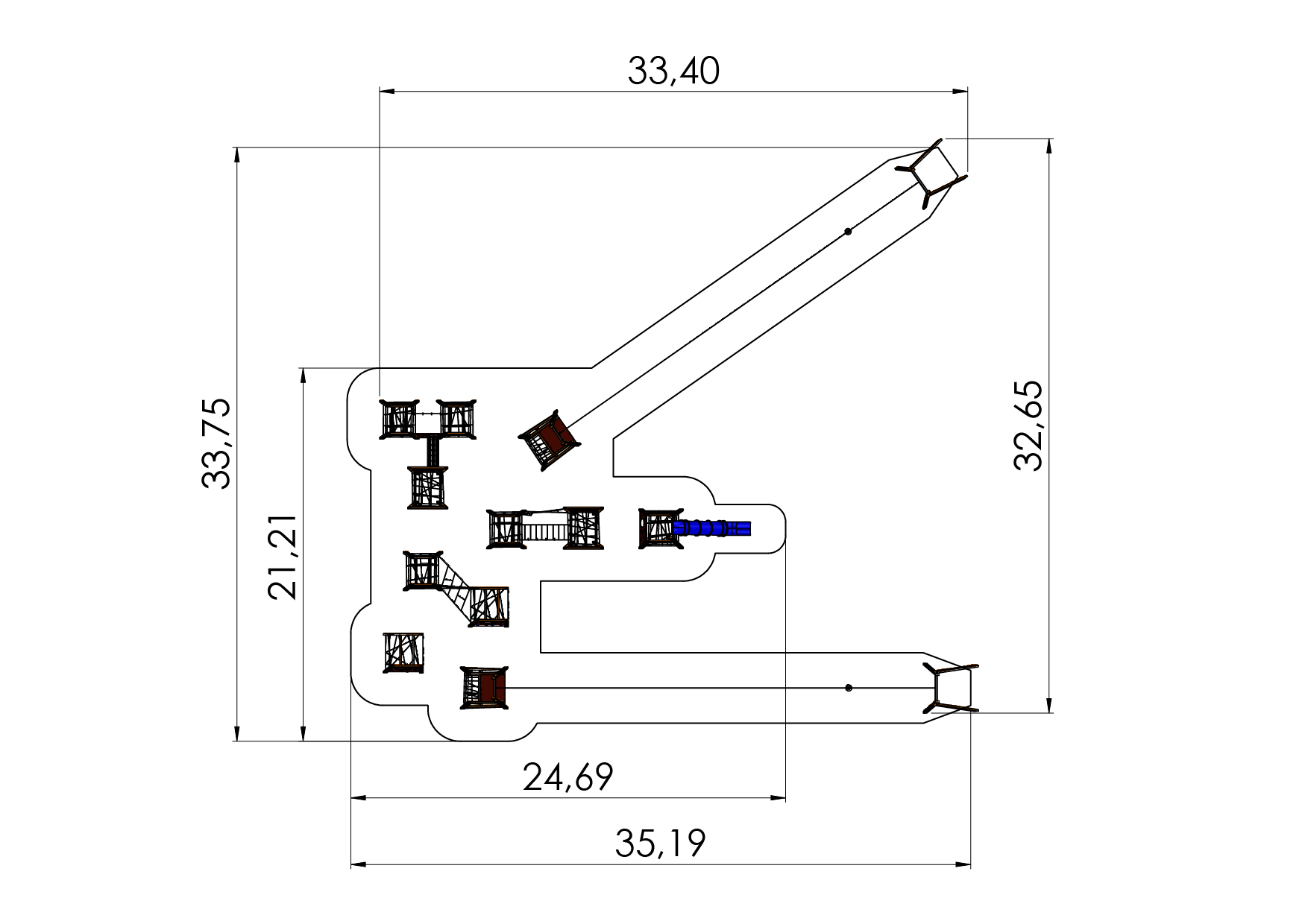
    Safety area width33.75 m
    Safety area length35.19 m
    Width of structure33.4 m
    Length of structure32.65 m
    Height of structure3.87 m
    Max. fall height2 m
    The product needs a safety surface
    Recommended age of children4+

    Product description

    The unique AMAZON adventure trail is made of durable laminated timber and its posts of laminated timber decorated with different ornaments are joined together using the innovative mortise joint. The cross-section of the posts is 105x210mm and the nets between them are made of extremely durable 16mm steel rope designed for climbing which is coated with polyester and features plastic joints. The climbing wall with climbing rocks is made of waterproof birch plywood. The product AM101 contains all elements in the AMAZON range. This creates a large, functional adventure trail, that offers children various climbing, balancing and crawling opportunities which helps develop their balance, coordination and dexterity. Horizontal and vertical climbing nets and rock climbing walls connect the different attractions. One 2m tall platform is equipped with a long tunnel slide. Two Tarzan trail ziplines add adrenaline to the complex: one where children can glide along hanging, one where they can glide sitting down. The laminated and painted timber posts are concreted to the ground using hot-dipped galvanized metal fittings.

    Safety area

    Downloads+

    Material+

    Installation info+

    Creating a world of fun