3D Planner
Home / Products / Sport and fitness / Street workout / NEW YORK SET (stainless steel)

Product code:

NEW YORK SET (stainless steel)

  • 12 y
  • 2.8 m
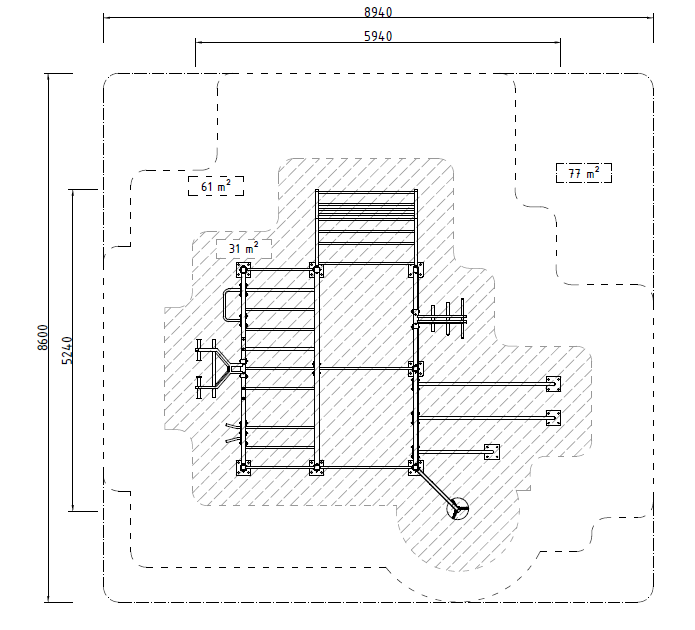
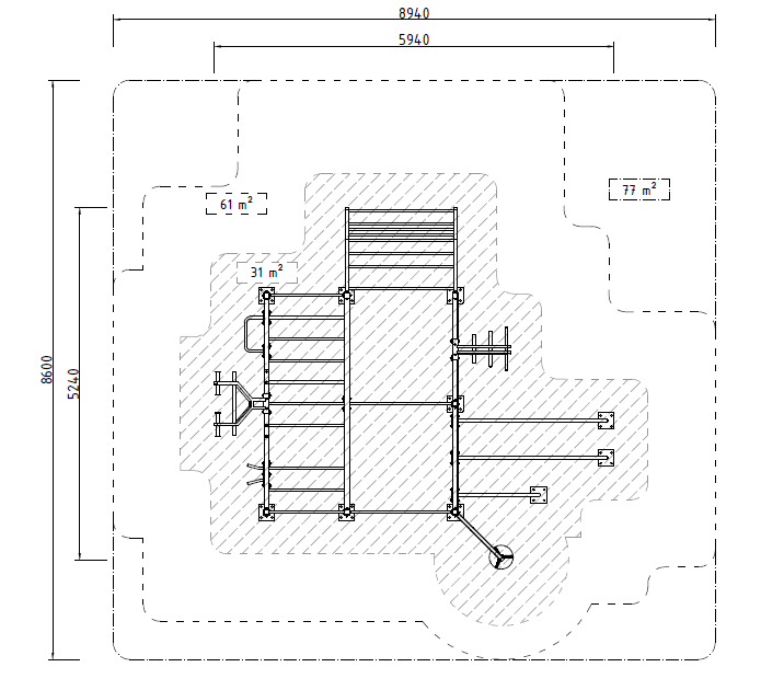
  • 5.24 m
  • 5.94 m
  • 3.3 m
  • TUV Logo
+

    Specifications-

    Technical information

    Width of structure5.24 m
    Length of structure5.94 m
    Height of structure3.3 m
    Max. fall height2.8 m
    Recommended age of children12+

    Product description

    The product consists of: triple parallel bars, a vertical and a horizontal ladder, a trapeze, a monkey bar, chin pull and back muscle bars of different grip widths and directions, a punch bag. The construction of the device is made of vertical steel profiles measuring 80 x 80 mm with a wall thickness of 5 mm, and the training devices are attached to it with a bolt connection. Material: Powder-coated metal; hot-dip galvanised and powder-coated on request. The equipment is fixed to the ground by concreting, and an anchor bolt connection is available as a special solution. The set is TÜV certified according to the standard EN 16630: 2015.

    Safety area

    Downloads+

    Material+

    Installation info+

    Creating a world of fun